Below are wiring diagrams of the charging system in 1992-2010 ford
crown victorias.
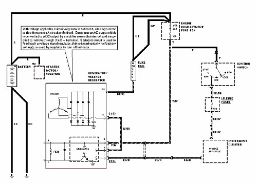
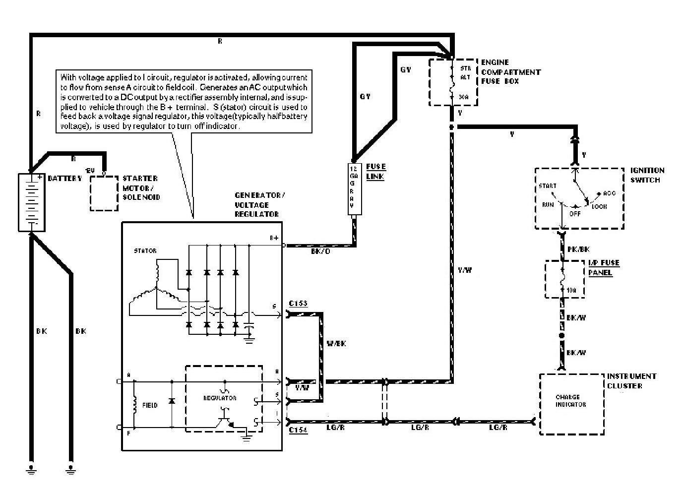
1992-1997
This is the wiring diagram of the charging system used in the 1992-1997
crownvics. All of these cars have a 3G series alternator.

Here are the two regulator related wiring connectors for the 1992-1997
cars. The stator circuit is bridged externally to the regulator on the
92-97 cars rather than internally.

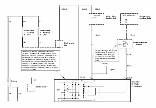
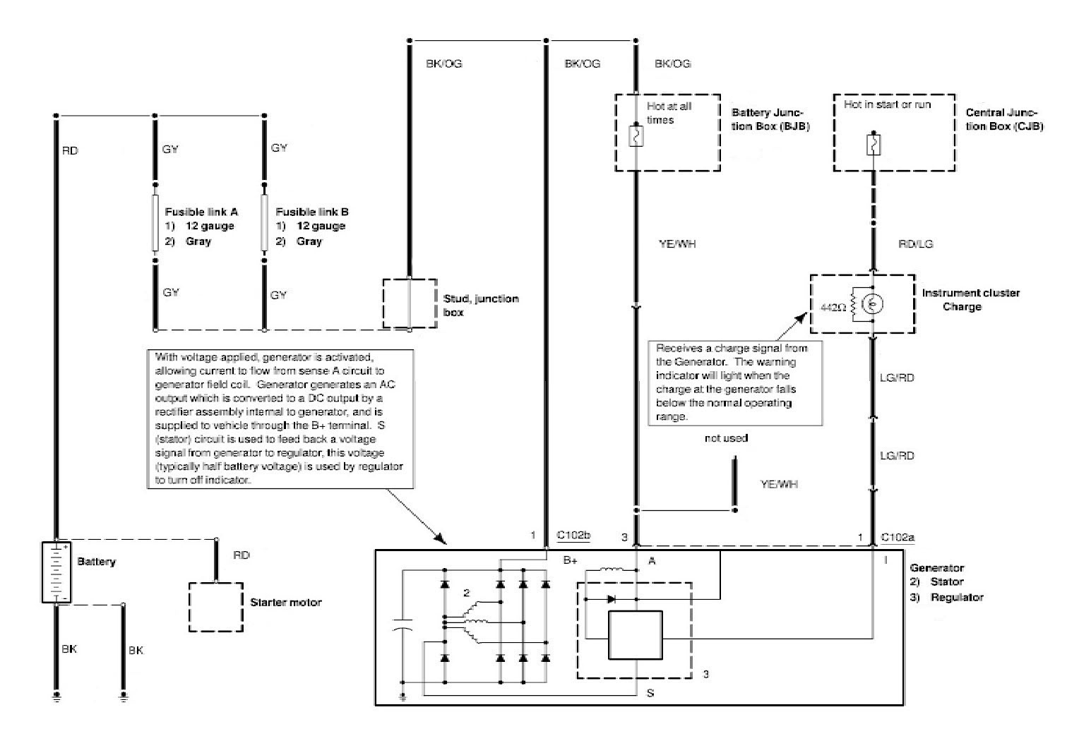
1998-2002
Here is a wiring diagram of the charging system used in the 1998-2002
crownvics. These cars can have either a 4G or a 6G series alternator
installed. The control circuitry is the same for both alternators, but
the electrical connector that connects to the regulator is different
between the 4G and 6G alternators.


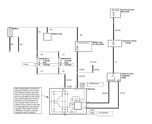
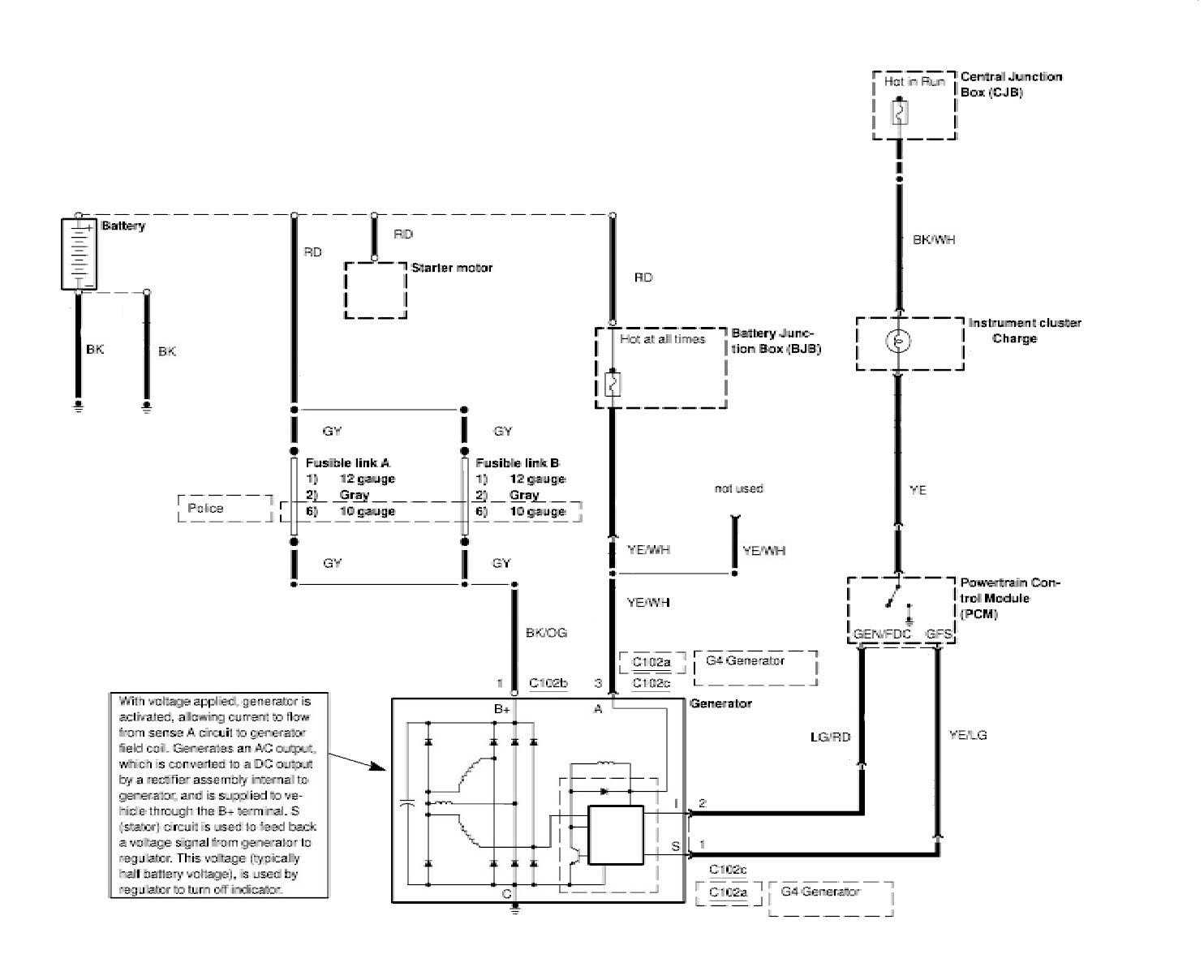
2003-2004
Here is the wiring diagram of the charging system in 2003-2004
crownvics. Starting in the 2003 model year, the alternator became
controlled by the powertrain control module instead of using a
conventional voltage sense setup like in previous model years.
Also, in the 2004 model year, crown victoria police interceptors
recieved a high output 190amp mitsubishi alternator. The high output
alternator uses the same electrical connectors as the ford 6G series
alternators, but the connectors are in a little different location so
you might need to extend the wiring harnesses a little to retrofit a
mitsubishi alternator into a car that originally had a ford 6G unit
installed.


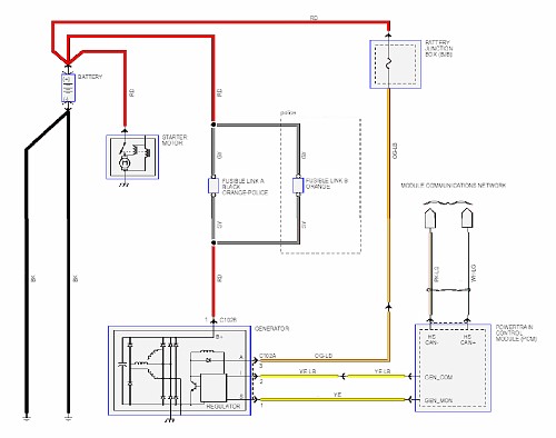
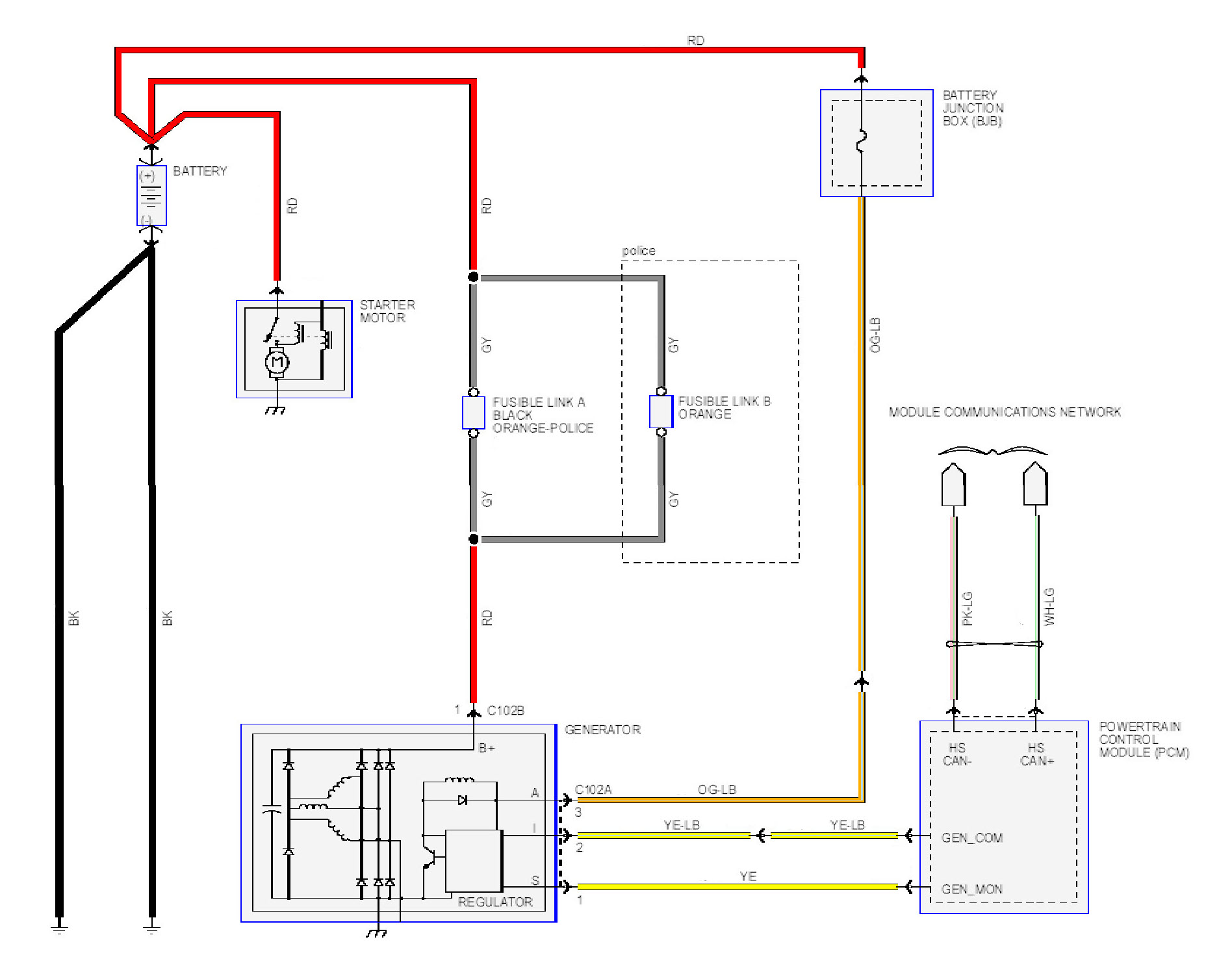
2005-2010
The 2005-2010 crown victoria charging system is essentially the same as
the 2003-2004 crownvic charging system, but a couple of the regulator
wires are color coded differently.
Also, starting in the 2005 model year, the 4G alternator was
discontinued in civilian crownvics and replaced by a 6G alternator. So
only one regulator connector is used in these cars since the police
mitsubishi alternator uses the same electrical connector as the
civilian 6G alternator.


Notes:
- In the 1992-2002 crownvics, you need to connect the charge
indicator bulb circuit on the instrument cluster to the alternator
regulator in order to have the alternator charge. If you connect a high
impedance voltmeter to charge indicator regulator pin, you will see the
voltage at ~14 Volts with the ignition key in the run position. And see
the voltage drop to ~0 Volts with the ignition key in the off position.
You will find a few hundred ohm resistor in parallel with the light
bulb in many crownvics so that if the charge warning light on the
dashboard fails, the alternator will still charge.
- Fusible Link Colors: Gray=12AWG. Orange=10AWG. Black=8AWG.
- It's really rare to see a charge indicator light fail on the
dashboard. But if it does happen and you don't have a resistor in
parallel with the charge indicator light, you can end up with an
alternator that won't charge. This can be really frustrating for the
vehicle owner. In such a situation, the vehicle's owner will have their
car towed to a repair shop, the repair shop will note that the
alternator isn't charging after charging the battery with an external
charger enough to start the car and then connecting a voltmeter to the
battery terminals while the car is running. The repair shop will
replace your alternator only to find the new alternator still doesn't
charge. So the repair shop will likely figure that they just got a
"bad" alternator and have the parts store send over another alternator
to install. But after installing the second alternator, the repair shop
will find the charging system still doesn't work right. Maybe the
repair shop will request another alternator from the parts store at
this point, or maybe they'll suspect that something is wrong with the
vehicle's electrical harness and start troubleshooting your car's
electrical harness. Either way, you can end up with your car off the
road for a while and incur significant labor costs over a two dollar
light bulb.
- There is an "HS-CAN" notation in one of the wiring diagrams that
refers to the High Speed Controller Area Network. This is because on
the 2006-2010 crown victorias, the powertrain control module signals
the instrument cluster charge indicator via high level encoded can bus
messages instead of controlling the charge indicator on the instrument
cluster with a discrete low level dc signal like on the 2003-2005 cars.
- Ford vehicles use a few different communications systems in
between the
alternator and the pcm. But all 2003-2010 crownvic alternators use the
same signalling setup in between the alternator and the pcm. This is
really convienent if you own a civilian 2003-2010 crownvic and want to
upgrade to the high output mitsubishi police interceptor alternator.
- Engine idle speed is very important to alternator charging
ability at
idle. Here is a special service message from ford with some information
on the 2003-2004 police interceptor idle strategy:17611 2003-2004 CROWN
VICTORIA POLICE INTERCEPTOR - LOW CHARGING SYSTEM VOLTAGE AFTER
EXTENDED IDLE
SOME 2003-2004 CROWN VICTORIA POLICE INTERCEPTOR VEHICLES MAY EXHIBIT
LOW CHARGING SYSTEM VOLTAGE AND/OR A DEAD BATTERY AFTER PROLONGED IDLE
WITH ACCESSORIES ON. TO SERVICE, REPROGRAM THE POWERTRAIN CONTROL
MODULE (PCM) TO THE LATEST CALIBRATION LEVEL USING WDS RELEASE B29.9 OR
HIGHER. THE NEW CALIBRATION RAISES THE BASE DRIVE IDLE FROM 544 TO 600
RPM, NEUTRAL IDLE REMAINS AT 800 RPM. THE NEW CALIBRATION ALSO DETECTS
WHEN THE BATTERY VOLTAGE DROPS BELOW 11.8 VOLTS DURING AN EXTENDED IDLE
AND WILL RAMP THE IDLE SPEED UP TO MAINTAIN BATTERY CHARGE. IN NEUTRAL
THE IDLE SPEED WILL SLOWLY RAMP UP TO 1100 RPM. IN DRIVE THE IDLE SPEED
WILL SLOWLY RAMP UP TO 800 RPM. THE IDLE SPEED WILL RETURN TO THE BASE
VALUES (600 IN DRIVE, 800 IN NEUTRAL) WHEN THE BATTERY VOLTAGE RETURNS
TO 12.5 VOLTS OR HIGHER.
EFFECTIVE DATE: 03/09/2004
Here is a graph from the 2003 police interceptor modifers guide showing
a graph of the 6G alternator shaft speed versus alternator output. Keep
in mind that the alternator is overdriven and spins faster than the
engine crankshaft.

Here is a graph from the 2004 police interceptor modifers guide showing
a graph of the 190amp mitsubishi alternator shaft speed versus
alternator output. Keep in mind that the alternator is overdriven and
spins faster than the engine crankshaft.
