Below are some pictures of a dashboard from a 1995 mercury grand
marquis ls.
Starting in 1995, ford crown victorias and mercury grand marquises used
the same dashboard. In the 1992-1994 vehicles, the grand marquis had a
different dashboard than the crown victoria did.
Note: Most of the images on
this page can be enlarged by clicking the left mouse button on the
appropriate picture in your web browser. If a red X appears instead of
an image, clicking the right mouse button in your web browser will
reveal a menu with the option to "show picture" which will attempt to
reload the selected picture from this server.
The project car is a 1995 mercury grand marquis loaded with most of the
optional equipment avaliable that model year including:
-digital speedometer cluster
-electronic automatic temperature control (EATC)
-ford premium sound radio
-handling and performance package (HPP)
-dual 8-way power leather seats



The back of the dashboard removed from the car.
On the right you can see the top of the steering wheel. On the left is
the glovebox.

The white hose connects to the eatc interior temperature sensor

Here's a closeup of the aftermarket code-alarm alarm module that the
car had installed. This unit operated with the factory keyless entry
remotes.

Much of the wiring shown here would normally be located inside the
engine bay. The big rubber grommets sit in holes cut in the firewall
and insulate the passenger compartment from engine vapors.

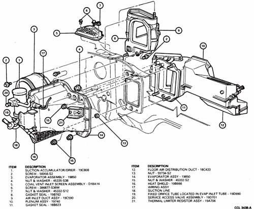
And here's the diagram that your local ford dealership would see if you
were attempting to order parts for your crownvic's dashboard

Here's a closeup of the ductwork which directs air from the heater
plenum box to the defroster vents.

Also visible is the back of the lighting control module (LCM)

Here's the dashboard flipped over to show the bottom of the steering
column area

And here's the glovebox area. Also visible is the bottom of the
defroster ductwork and the radio premium sound system wiring.

Here's the fusebox for the car. Note that the upper right of the
fuseblock still has the cutout in it for the turn signal flasher even
though the actual flasher in this car is inside the lighting control
module.

Here's a closeup of the ignition switch. Take note of the splices that
were placed into the harness for the car alarm starter kill circuit and
to obtain power for the alarm control circuit board.

Crown Victoria and Grand Marquis dashboards have not changed much over
the last 15 years. And the 2010 crown victoria still has essentially
the same dashboard shell as the 1995 grand marquis pictured above
except for some minor modifications.

Here's the dashboard laying upside down.


The dashboard in this vehicle was removed to replace a nonfunctional
eatc blend door actuator. While the dashboard was out, a new heater
core was installed as a precaution even though the old one wasn't
leaking at the time.


Here's the passenger's side of the car. The heater plenum was pulled
off of the firewall, but the recirc box was left installed.
It should be noted that the blue airbag module shown in this 1995 grand
marquis, was relocated starting in the 1998 model year. And again
relocated in 2001.

Here's the drivers side of the car. For this project the metal
transmission shifter cable bracket was disconnected from the back of
the steering column, that way a new cable grommet didn't need to be
installed.

Here's a closeup of the door actuators and the mode doors themselves.
The really big door on the right feeds the dashboard a/c vents.
The slightly smaller one on the left feeds the defroster vents
And the really tiny one blows out the small demister vents on the top
of the dashboard

Here's he back of the heater box showing the blend door and the heater
core tubes.
One of the heater core tubes was bent when removing the hoses, but this
doesn't matter as a new heater core is being installed anyways.


1995 was the last year of the standalone EDIS ignition system module.
Starting in 1996, the module was integrated into the PCM (powertrain
control module)

1995 was also the last year for this particular orientation of the
cruise control module


Here's the heater box placed back onto the firewall. Some cuts were
made to the rear defroster ductwork rather than pulling out the seats
and carpeting. Note that 1992-1994 crownvics do not have the back
passenger "frog legs" air distribution system to remove. And that 2001+
crownvics will have a different connection setup here to accommodate
the airbag restraints control module which is mounted towards the front
of the transmission tunnel.

Here's the emergency brake pedal

Here you can see the blend door actuator and also the rear air
suspension/variable assist power steering control module. Note that
police interceptors use conventional coil springs in the rear, and use
different electrical connectors for this module.



A lot of the dashboard electrical connectors need to be seperated under
the hood prior to removing the dash

You'll want to pull the windshield wiper cowl to be able to remove the
wiper motor electrical connector.

And to access some of the connectors, you need to jack up the front
passengers side of the car, remove the tire, and pull the fender liner
back some.

You do not have to remove the fender liner completely like shown in the
pictures below though.
(picture courtesy of Steve83 on
www.crownvic.net)

(picture courtesy of Steve83 on
www.crownvic.net)

Here's the car with the new heater core installed and ready to slide
the heater core hoses on.

This is the front passenger antilock brake sensor wiring. Note how the
insulation is flaking off.
The cracked insulation is somewhat unusual, and typically one finds
some chaffing on the protective looming where the wiring passes between
the metal frame and the plastic fender liner.
'
Although not required for either heater core or blend door actuator
replacement, here are some pictures of a 1992 mercury grand marquis
with the recirc door system removed from the car.
The white squirel cage is the back of the blower motor wheel
(picture courtesy of Bluemobile on
www.crownvic.net)

The empty circular hole on the left is for the eatc hose for the
interior temperature sensor.
The large hole on the right that is circular with a square shape in the
upper corner is for the recirc door fresh air intake port on the recirc
box setup to pass through
(picture courtesy of Bluemobile on
www.crownvic.net)

Some extra sealant was added to various grommets to help prevent water
leaks.
(picture courtesy of Bluemobile on
www.crownvic.net)

Here is the otherside of the firewall of a 1998 crown victoria with the
evaporator housing removed.

The front of the evaporator housing itself

And the back of the evaporator housing. Take note that the evaporator
housing is laying upside down compared to what it would be when
actually mounted in a car.
Also note that there have been some hard to track-down water leaks
reported inside crown victorias caused by failure of the F0VY-19C593-A
seal in between the back of this housing and the firewall. But in this
particular case, the foam is still flexible and it seals good too.

Here is the recirc door setup from a 1992 mercury grand marquis.
(picture courtesy of Bluemobile on
www.crownvic.net)

(picture courtesy of Bluemobile on
www.crownvic.net)

(picture courtesy of Bluemobile on
www.crownvic.net)

(picture courtesy of Bluemobile on
www.crownvic.net)

(picture courtesy of Bluemobile on
www.crownvic.net)

(picture courtesy of Bluemobile on
www.crownvic.net)

The crown victoria is designed differently than many other vehicles.
The evaporator housing is under the hood. The heater plenum and recirc
door box are behind the firewall underneath the dashboard.


CELO (Cold Engine Lock Out) sensor only installed in 1993-1994
crownvics with ATC

Thermal Blower Lockout (TBL) sensor used in 1992 crownvics with ATC
was located on one of the heater core hoses under the hood



A heater core from a 1998 crown victoria with the rubber hoses
attached. You will want new heater core hoses if you're installing a
new heater core.

And here are a few pictures of a 1995 lincoln towncar with the
dashboard removed. Although the town car dashboard varied some
cosmetically from the crownvic/grandmarquis dashboard, the firewall
& heater plenum box were the same in these cars up until the
redesign in the 1998 model year.




The black colored relay above the rear air suspension/steering evo
control box is the RAP (Retained Accessory Power) relay to allow the
passenger's of the car to listen to the radio and move the power
windows until a door is opened.



An excerpt from the 2002 crown victoria factory service manual about
removing the dashboard from the car is avaliable by clicking here.
The steps involved in removing the dashboard from dashboard from a
1995-2002 crownvic/grandmarquis are basically the same between model
years except the
support dashboard support bracket in the 1995-1997 vehicles is located
on the bracket which supports the glovebox frame, and the support
bracket on the 1998-2002 vehicles is located on the drivers side of the
transmission transmission tunnel. The earlier 1992-1994 vehicles are
similar, but
use a slightly different dashboard shell. And the 2003+ vehicles use
the same dashboard shell as the 1995-2002 vehicles, but the wiring
harness connectors have been redesigned and are in different locations.