Many recent vehicles with power windows have a "one touch" express down feature for the driver's window. Quickly tap the down button on the window switch and release and the window will roll fully down without having to hold your finger on the switch. Some vehicles sold in the US also have an auto-up feature, quickly tap the button once and the windows rolls to the fully closed position. Auto-up feature is uncommon in the US market due to liability concerns, but in some foreign markets most all cars sold have the feature.

Installing a DEI530T window module into your fourthgen f-body will add both auto-up and auto-down to both windows (drivers and passengers). The installation is not plug and play, and will require splicing multiple wires into the vehicles electrical harness.

Are 5 switches on the side of the 530T module. Switches 1-4 control the sensitivity. Setting switches 1-4 all to the off position is the most sensitive position. But you may wish to use a lower sensitivity setting if the windows stop before moving fully up or down, but don't go too low on the sensitivity setting since it is desirable for the window to stop rolling up if it encounters an obstruction such as a human arm. Switch 5 is for the polarity of the switches, leave it set to the off position since forthgens have positive trigger switches.

DEI530T (http://www.directed.com) window module behaves just like the factory auto-down feature, except in both directions and on both windows. Carbine (http://www.magnadyne.com) also makes a window that uses the same electrical connectors, wire color coding and external dimensions as the DEI530T. The dip switches on the side are a different arrangement though, the first two control the sensitivity of the drivers window, the second two the sensitivity of the passengers side window. The carbine module is for positive trigger window only, if you want to use it in a negative trigger window circuit, use of an external relay will be required.

AutoLoc (http://www.autoloc.com) makes a window module that will add auto-up/auto-down but only to one window. Module also behaves differently than fourthgen auto-down feature does. Basically any touch is "one touch". Hold your finger on the switch for a while and release and the window will keep moving. To stop, you'll have to tap the switch again. The autoloc unit uses an entirely different wire color coding scheme and electrical connector than both the dei and carbine units do.

Unlike carbine and autoloc, DEI will not sell directly to the consumer, so you'll have to locate a dei dealer to acquire the 530t. Some sources include:

http://store.autotoys.com (may ship carbine instead of dei unit depending on stock on hand)
http://www.autopreservers.com

Local car audio shop and major chains such as Circuit City and BestBuy should be able to acquire the dei module too. But DEI has a policy against cash and carry for authorized dealers, so your local store will likely insist on installing the device too.

Do not purchase the DEI529 window module, it does not have the window automation features of the 530T module. The 529 is used solely for rolling windows up when an alarm is armed.

A copy of the installation manual that comes with the DEI530T is avaliable by clicking here. A copy of the installation manual for the 530T's carbine counterpart is avaliable by clicking here.

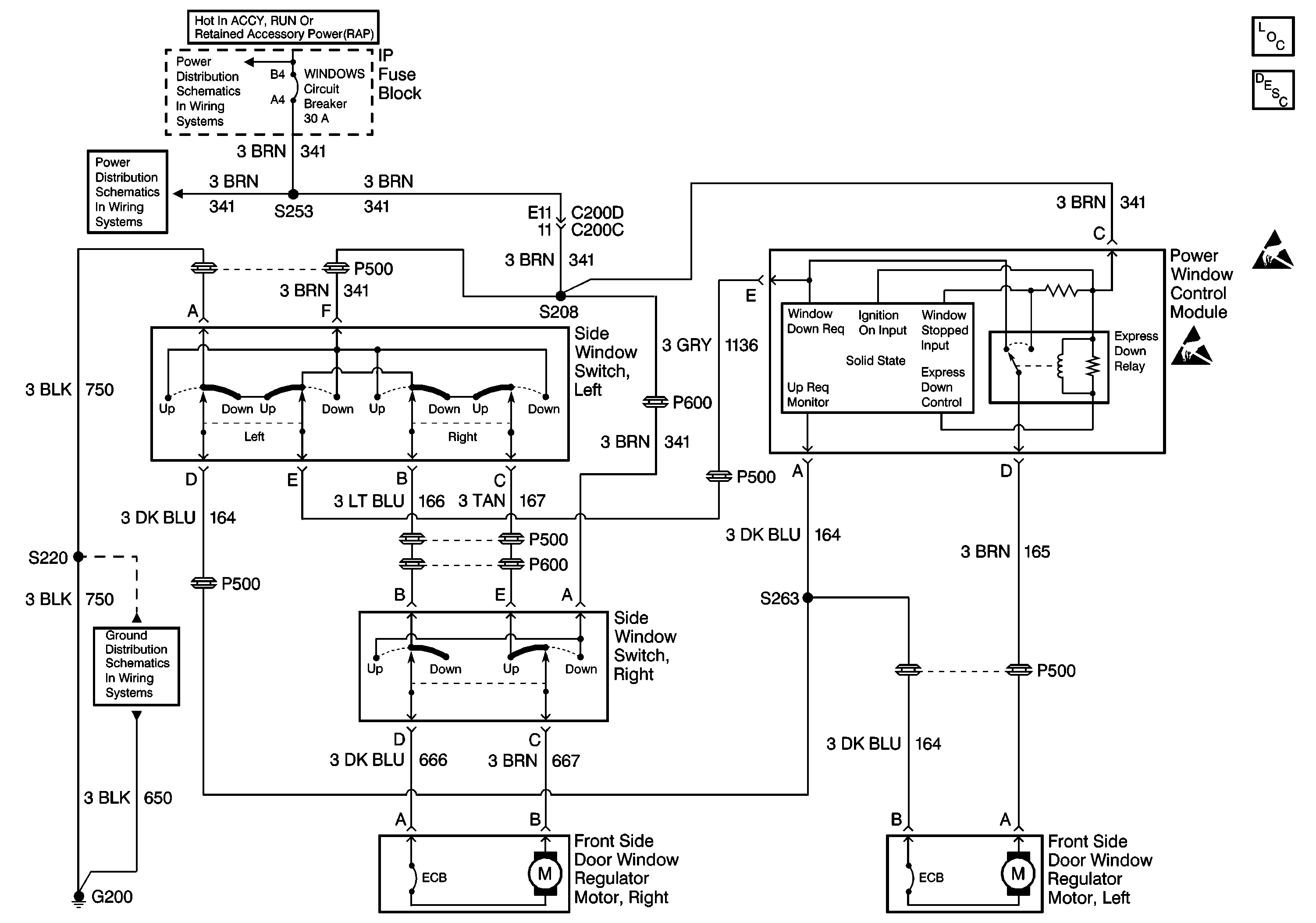
Below is a chart of the electrical connections that are required to install the DEI530T window module:
 
 
DEI 530T Wire Location DEI 530T Wire Color F-Body Wire Color Wires Function
1/1 Violet Black Drivers Motor Ground
1/2 Green Brown at Motor (See Note #1)
Drivers Motor
1/3 Blue Dark Blue at Motor (See Note #1)
Drivers Motor
1/4 Red Brown at Switches (See Note #2) +12 Volts Power Source
1/5 Black Black Window Module Ground
1/6 Violet/Black Black Passengers Motor Ground
1/7 Green/Black Tan Passengers Motor
1/8 Blue/Black Light Blue Passengers Motor
2/1 Brown Dark Blue at Switches (See Note #1) Drivers Switch Input
2/2 White Grey at Switches (See Note #1) Drivers Switch Input
2/3 Red/White (See Note #2 and Note #3) Ground This Input to Roll Windows Down
2/4 Orange (See Note #2 and Note #3) Ground This Input To Roll Windows Up
2/5 Grey (See Note #4) Low Current Ground Output For Bypassing Alarm Sensors 
2/6 Brown/Black Light Blue
Passengers Switch Input
2/7 White/Black Tan
Passengers Switch Input


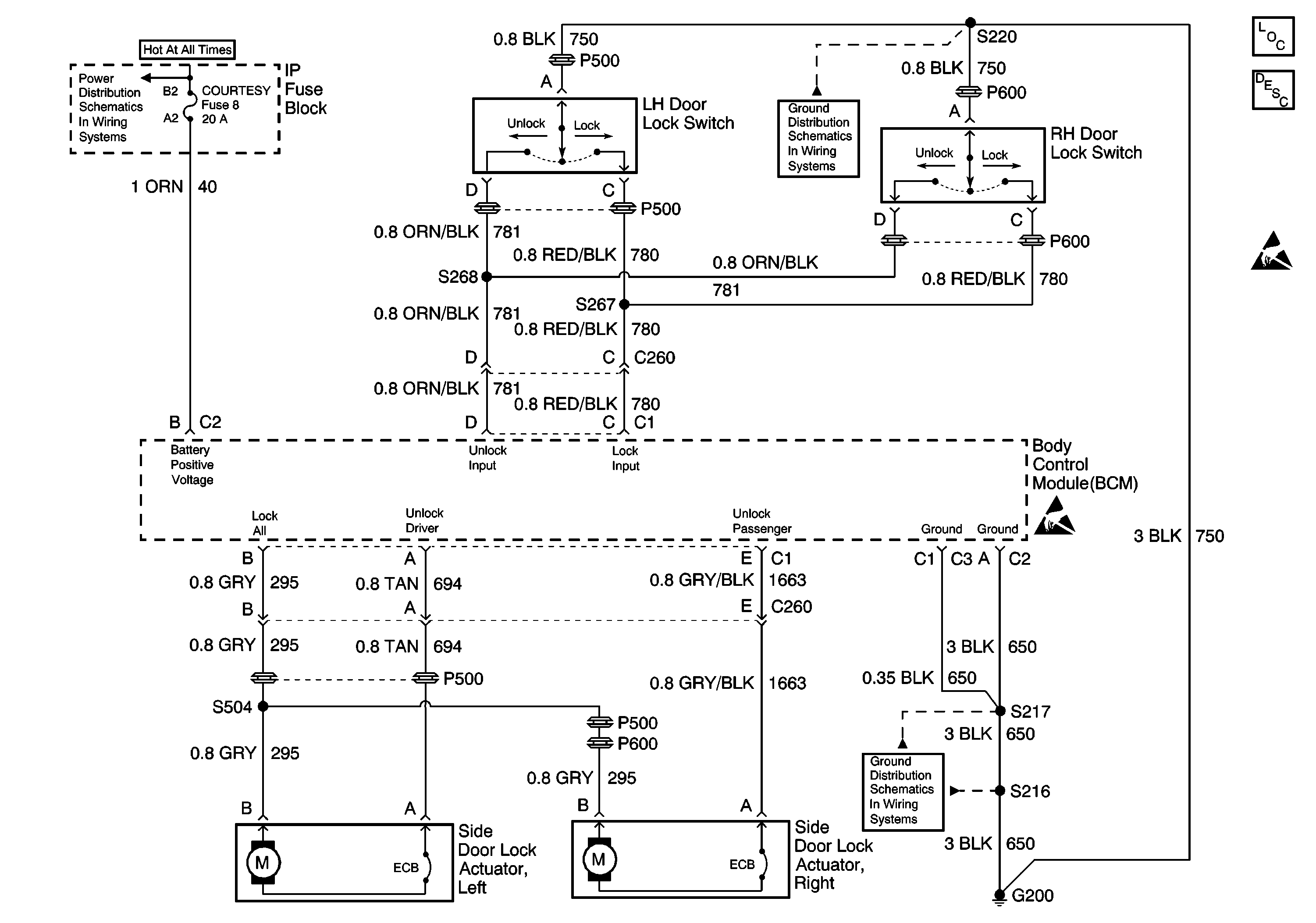
Note #1: The factory autodown module must be electrically removed from the window circuit to install the aftermarket auto-up/auto-down module. To accomplish this, cut the brown and dark blue wires that run directly into the drivers side window motor and splice the green and blue wires of the aftermarket window module wires onto them. Cut the gray and dark blue wires at the power window master switch assembly and splice the brown and white wires to them. Cover the ends of the unused wires with electrical tape to prevent shorting.

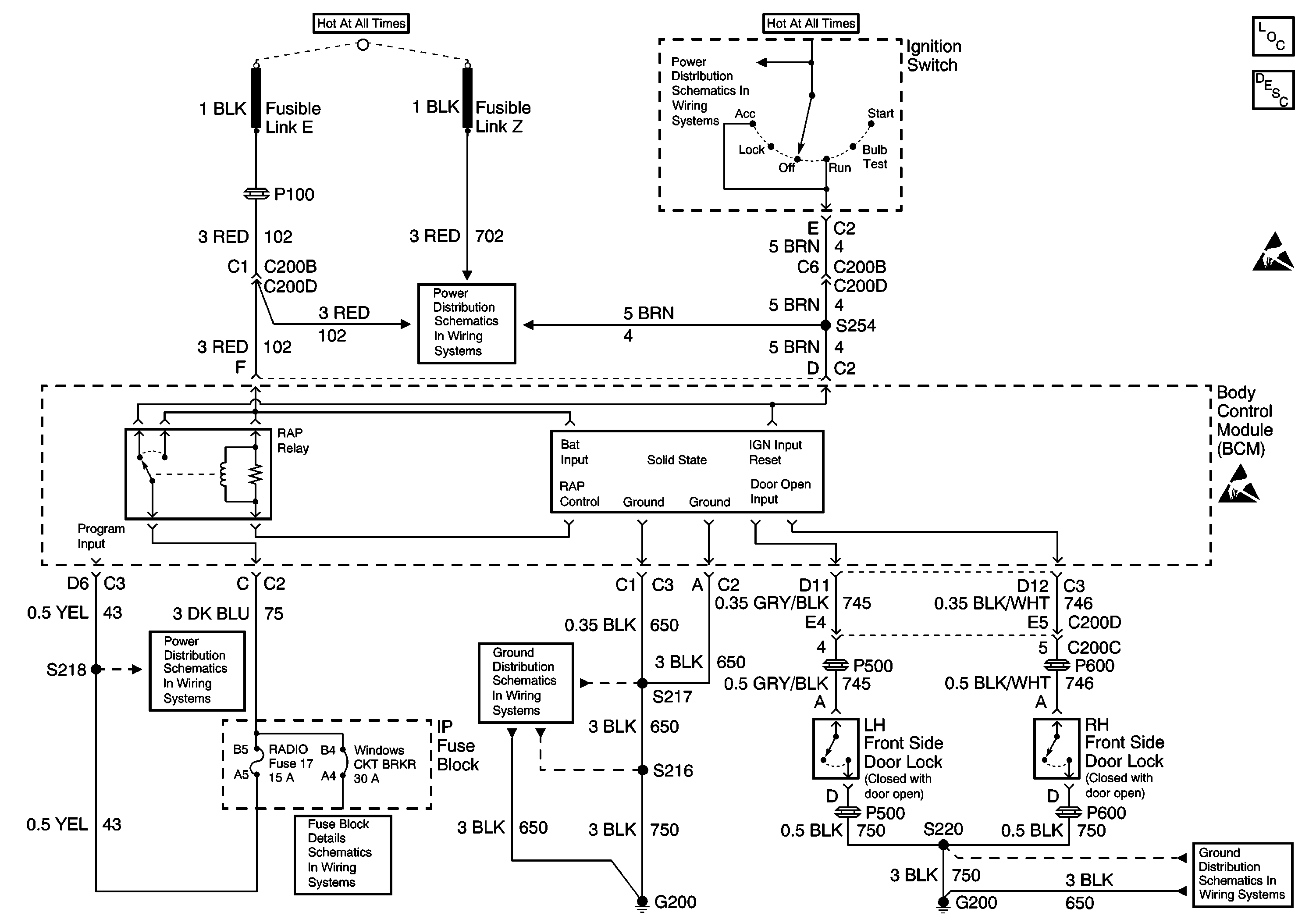
Note #2: If an alarm or keyless entry system is installed in the vehicle, an unused channel can be used to remotely control the windows. When the Red/White wire is held at ground, the windows will automatically roll down. When the Orange wire is held at ground, the windows will automatically roll up. Some car owners connect the orange wire to the alarms ground when armed output so that whenever the alarm is armed, the windows rollup. Rolling the windows up each alarm arming cycle increases wear on the window regulators and motors, especially if the alarm system passively arms. For remote window control the window module must be supplied with a constant +12volts, not +12volts switched on/off through the ignition switch. To obtain a constant +12volts, tap the red wire in the ignition switch harness. Supplying the window module with constant +12 Volts also allows the window to continue rolling fully up or down after the ignition switch is turned to the off position and a door is opened.

Note #3: Fourthgen f-bodies with the factory keyless entry system have a "progressive" door lock system. Tapping the unlock button once on the remote entry fob only unlocks the drivers door, quickly tapping it again unlocks the passengers door. The "progressive" door lock system can be "bypassed" so that both doors unlock at once when the unlock button is pressed on the remote entry fob. This leaves an unused wire that pulses when the unlock button is quickly pressed two times which could be used to roll down the windows by remote control. Problem with this setup is that the wire also pulses whenever the unlock button is pressed on the drivers or passengers door. A relay can be used to inhibit the windows from rolling down when the unlock button is pressed on the door and the car is running, but the windows will still roll down if the car is off and the unlock button is pressed.

Note #4: If the window module is configured to roll the windows up by remote control and an alarm system is installed in the vehicle, this output may be used. If installing window module solely for it's one touch auto-up/auto-down features, leave this wire disconnected. This output produces a low current ground when the windows are moving and for a very short period after they stop moving to bypass sensors and prevent the alarm from sounding.










Questions or Comments?

Email Me: [email protected]